
“ 很多用戶在購買導熱油鍋爐時,都會找導熱油鍋爐廠家報價,優先考慮報價低的產品,事實上鍋爐的主要成本不僅僅只有購置費用,還有運行費用、維護費用。一臺熱效率高的鍋爐運行費用比熱效率低的,每年會產生幾十萬差距。因此在購買導熱油鍋爐時,節能也是很重要的參考因素。 1…
“導熱油鍋爐價格需要根據用戶選擇多大的鍋爐及壓力、燃燒器、輔機等各個方面進行確定的。選擇不同價格也會不同,導熱油鍋爐應該如何選擇,先選好專業正規的廠家,然后提供自身需求根據廠家推薦型號,最后再確定價格。下面以無錫中正鍋爐有限公司(以下簡稱“中正鍋爐”)…
“150噸燃油導熱油鍋爐作為廣泛應用的工業供熱設備,市場上銷售導熱油鍋爐廠家有很多,但是沒有生產能力,通過獲取訂單,去其他廠家采購繼而銷售出去,從中間獲取提成,這樣的產品不僅質量得不到保證,產品價格還會高很多。中正導熱油鍋爐廠家直銷,沒有中間流程差價,在保證產品質量的前提…

導熱油,又名有機熱載體鍋爐,是指載熱工質為高溫導熱油(也稱熱媒體、熱載體)的新型熱能轉換設備,具有低壓高溫工作特性,是印染、食品、化工等工業領域必不可少主要供熱能源設備,濰坊導熱油鍋爐廠家產品分為燃氣導熱油鍋爐、燃煤導熱油鍋爐、燃油導熱油鍋爐、燃油導熱油鍋爐等。

科技的發展和技術的進步,要求導熱油鍋爐功能多樣化,中正導熱油鍋爐廠家根據不同用戶,生產不同型號規格的導熱油鍋爐。任何一款導熱油鍋爐在市場中存在都有自身的優勢價值,用戶購買導熱油鍋爐選著適合自身型號的鍋爐性價比才是高的。那么使用導熱油鍋爐優勢特點有哪些?導熱油鍋

燃氣導熱油鍋爐是企業生產線重要的供熱設備,鍋爐穩定安全運行,企業經濟生產線效益就越好。因此,燃氣導熱油鍋爐啟動運行前做好檢查是一項非常重要的工作。下面中正導熱油鍋爐廠家為你介紹具體注意事項。:

遼寧導熱油鍋爐廠家名單,首選中正鍋爐廠家遼寧導熱油鍋爐廠家名單統計有不少鍋爐廠家,但是真正老品牌的不多,因此選擇一個優質的鍋爐廠家,首先就是就是去驗廠,直接找廠家,可以省去很多的費用,而且直接去工廠考察,也可以直觀看出廠家的正規與否。其次是售后服務,及銷售人員整體的服

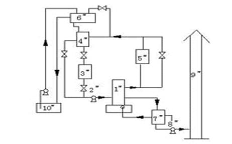
導熱油鍋爐的導熱油注油步驟1、打開每個獨立循環導熱油管路中的高位排氣閥2、打開注油泵,加注導熱油至循環管路中,排氣閥有導熱油溢出時,關閉排氣閥3、當高位槽中導熱油液面高出低位線時,停止加注導熱油4、啟動導熱油系統循環泵,導熱油在循環系統中流動1小時后,再次打開排氣閥

相信作為常州燃煤導熱油鍋爐廠家都知道的,關于燃煤鍋爐,隨著環保政策的推薦,燃煤鍋爐的生存空間不斷縮減。當然,不是說燃煤鍋爐都不能用了,具體要看當地政策通知。每個鍋爐廠家針對的客戶不同生產的鍋爐對應功能也不盡相同,因此市場上燃煤導熱油鍋爐鍋爐型號的種類繁多,這對于用

眾所周知,由于節能導熱油鍋爐的熱效率、使用燃料、工作壓力和溫度不同,節能導熱油鍋爐對應的型號也不同,而不同型號節能導熱油鍋爐價格必然是不一樣的,那么一臺1噸的導熱油鍋爐大概多少錢?
【一臺1噸節能導熱油鍋爐價格:5萬元——20萬元】節能導熱油鍋爐價格型號從以

采用環氧乙烷法新工藝生產成本低,且產品質量穩定,但其中氨化工序的收率及生產的連續性是工藝中的重點因此,江陰華昌食品添加劑對整套鍋爐系統都提出了明確的高要求為了滿足食品添加劑生產線足夠的、持續的熱源支撐,中正導熱油鍋爐廠家為其量身定制了YQW+WNS系列鍋爐系統方案

影響10噸導熱油鍋爐價格因素一:鍋爐本體制造費,占據整體造價的60%,本體所用材料的也需要經過多方對比之后才能決定其價位,工藝越精良,出廠價格自然會高,但從長遠角度出發,后期燃料成本和維護費用更低,使用壽命更久。影響10噸導熱油鍋爐價格因素二:輔助機械費用不同,比如說:鍋爐控制

導熱油鍋爐作為重要得熱能轉換設備,許多企業生產線供熱都需要購置導熱油鍋爐。黑龍江企業用戶在購買導熱油鍋爐得時候,面對眾多得導熱油鍋爐廠家推薦得鍋爐,大部分用戶都會被不知道怎么選導熱油鍋爐廠家困擾。畢竟鍋爐屬于特種設備,不能差不多。這里中正鍋爐給大家建議,選擇鍋

關于供應導熱油鍋爐價格:一臺供應導熱油鍋爐價格需要多少錢太籠統了,廠家是無法給出報價,需要客戶提供更多的信息,結合具體需求,給出設計方案,導熱油鍋爐廠家才能給出具體的價格。中正導熱油鍋爐廠家憑借三十余年制造鍋爐的積淀,采用獨具匠心的工藝技術,高效節能,熬油時間短;同時

導熱油鍋爐在工業生產中作為穩定的高溫供熱設備,它的地位是不言而喻的。鍋爐的高效安全運行直接掛鉤企業的生產線效益。那么如何選購導熱油鍋爐?如何選購導熱油鍋爐首先選購導熱油鍋爐一定要選對導熱油鍋爐廠家,好的廠家不管是鍋爐的質量,還說鍋爐的售后服務都讓人放心;接著

導熱油鍋爐,單從名字來看,就知道,這是一款利用導熱油供熱的能源轉換設備,又稱有機熱載體鍋爐。和其他介質鍋爐相比,各有優勢,一定情況下可配合使用,更加節能高效。但是多數情況下,其分別適用于不同領域,尤其是一些需要高溫的企業用戶,導熱油鍋爐更受青睞,因為佛山導熱油鍋爐廠家供應

大多數用戶都選擇了導熱油鍋爐作為生產線用的熱能鍋爐設備,就是因為其具有其他介質鍋爐不具備得性能優勢。下面小編詳細介紹導熱油鍋爐性能優勢以及導熱油鍋爐廠家選擇推薦。
導熱油鍋爐性能優勢1.操作壓力低,系統壓力一般不會高于0.8MPa,而此壓力是泵輸送產生的壓力。2.導

一分價錢一分貨,質量好鍋爐無論是從設計到生產,都精益求精,工業蒸汽鍋爐價格多少錢取決于型號、質量、服務三個因素,同等價格比質量,同等價格比服務。

導熱油鍋爐是工業生產線得熱能轉換設備,是機械設備都需要保養維護,保證導熱油鍋爐設備得穩定安全運行,又能有效延長設備使用壽命。下面來看看導熱油鍋爐排污步驟以及導熱油鍋爐排污注意事項。導熱油鍋爐排污步驟1、先開快速排污閥,隨水一起排出。2、再打開慢速排污閥(慢慢開

什么原因導致導熱油鍋爐氣壓差變大導熱油鍋爐是很多企業生產線需求高溫熱能得首選設備,其中燃氣導熱油鍋爐更是因其環保,清潔備受用戶青睞。那么什么原因導致導熱油鍋爐氣壓差變大?導熱油鍋爐氣壓是保障蒸氣質量和鍋爐穩定、經濟運行的重要參數,運行中要維持在一段范圍內。

關于天燃氣導熱油鍋爐價格:隨著導熱油鍋爐需求越來越大,市面上導熱油鍋爐的種類也越來越多,一些不良商家以次充好,壓低價格,導致天燃氣導熱油鍋爐市場價格區間較大,便宜的就幾萬,貴點的十幾萬不等。影響天燃氣導熱油鍋爐價格因素很多,需要用戶根據自身需求,確定導熱油鍋爐蒸發量、

隨著科技發展,鍋爐在生活中的使用越來越多,導熱油鍋爐廠也越來越多,全國范圍內的鍋爐廠數量不計其數。那么國內濰坊導熱油鍋爐廠家供應有哪些?鍋爐行業流傳這么一句話:全國鍋爐看江蘇,江蘇鍋爐看無錫。中正導熱油鍋爐廠家就是眾多大型工業鍋爐供應廠家之一。導熱油鍋爐優勢:1.

導熱油鍋爐對于很多企業用戶來說都是必不可少的一種能源轉換設備,尤其是小型導熱油鍋爐適用范圍很廣。通常10噸以下的導熱油鍋爐都屬于小型導熱油鍋爐,適合大部分企業用戶生產供熱需求。那么小型導熱油鍋爐的價格是多少呢?小編特地去找銷售經理了解了一下,下面給大家分享小

淺談導熱油鍋爐是如何供給燃料的?導熱油鍋爐的給料系統由料倉、振動給料器、螺旋給料機、螺旋給料管等部件組成。在工廠中加工成型的燃料通過皮帶運輸機轉存到料倉中,然后再通過螺旋給料機把料倉中的燃料供給燃燒器進行燃燒。為連續下料及物料輸送的穩定性,在料倉和螺旋給

許多企業用戶都必須購置導熱油鍋爐為生產線提供熱能,大多數的企業在初次購買導熱油鍋爐產品的時候,往往面對眾多導熱油鍋爐生產廠家的產品,不知選哪家好。這里中正導熱油鍋爐廠家給大家介紹9種方法。1、選品牌一般來說,有點名氣的導熱油鍋爐生產廠家規模相對較大,研發能力、質

想了解導熱油鍋爐價格的用戶想必都已經對導熱油鍋爐性能優勢都有一定的了解了,那么今天小編就為大家提供導熱油鍋爐價格表以及介紹下導熱油鍋爐價格相關問題,導熱油鍋爐多少錢呢?購買時應該考慮什么因素呢?導熱油鍋爐價格中正鍋爐生產的導熱油鍋爐通常來說價格為1萬元至100

導熱油鍋爐是一種應用于工業生產線熱能轉換的設備,根據結構分為立式和臥式,適合的燃料有天然氣、煤、柴油、生物質顆粒等,因其低壓高溫,安全控制運行等特點廣受用戶青睞。用漢語在選購導熱油鍋爐時一定要選對廠家,臨沂導熱油鍋爐廠家有不少,今天小編為大家推薦一個導熱油鍋爐廠

導熱油鍋爐對于很多用戶來說都是必不可少的一種供熱設備,那么導熱油鍋爐價格是多少呢?今天小編就為大家簡單的介紹一下導熱油鍋爐價格如下所示: 導熱油鍋爐價格:<5萬—100萬元/臺>想必看到這個價格很多人都會有疑問,為什么價格差距那么大?下面小編進一步介紹影響導熱油
燃氣鍋爐價格版權所有©導熱油鍋爐地址:江蘇省無錫市宜興周鐵鎮分水新達路76號 蘇ICP備11085805號-2